Arcan ®   13-Feb-2018 19:06

JRC Doppler Sonar Instruction Manual JLN-550


Year: 2013
Language: english
Author: JRC
Genre: Manual
Publisher: JRC
Edition: 4
Format: PDF
Quality: eBook
Pages count: 52
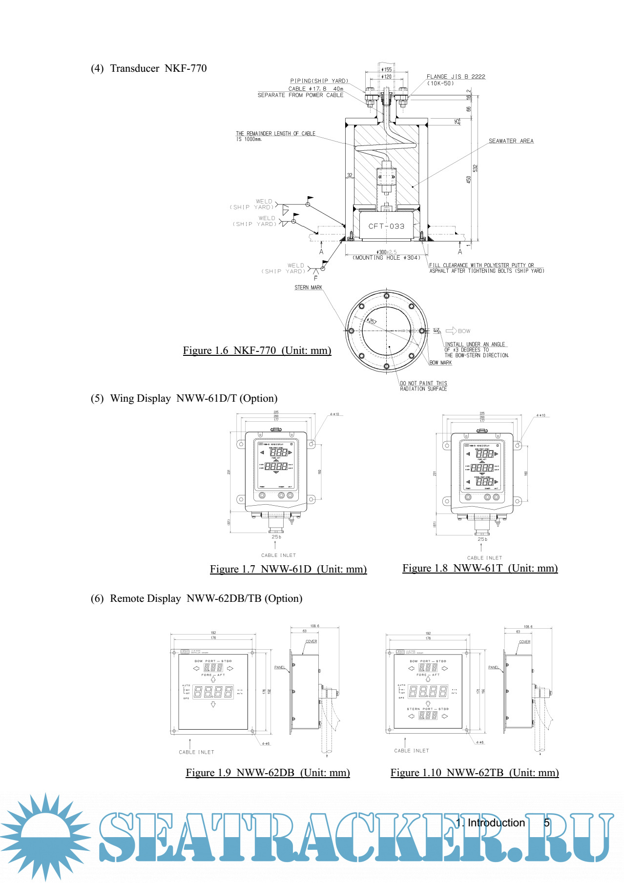
Description: The JLN-550 Doppler Sonar is a system with one transducer mounted on the bottom of the vessel
which direct beams of sonic radiation at an angle downward and measures the water speed and
ground speed by using signals that are reflected from the sea bottom or an underwater layer.
It measures the speed along two different directions: longitudinal, bow transverse.
It calculates the speed stern transverse using the ROT(Rate of turn gyro) signal.
It also measures and display run distance.
Features:
JLN-550 Doppler Sonar has the following features:
1) It can measure the ground speed within the depth range of approximately 2 meters through
approximately 250 meters.
2) The water speed is measured simultaneously with ground speed.
3) Compact transducers.
4) High-recognition Main display using large size LED.
5) Supper-bright-LED units for the wing display which are easy to read even in direct sunlight.
6) Confirms to the following standards: IMO A.824(19), as amended by MSC.96(72),
IMOA.694(17), IEC 61023:1999, IEC 60945:2002, IEC 61162-1:2000

Contents

Screenshots

JRC Doppler Sonar JLN-550

Download [2 KB]

Thank U
Reply
refresh list

Similar releases

JRC Doppler Log Instruction Manual JLN-205Mk2 - JRC [2013, PDF]
Furuno Doppler Speed Log DS-80_Operators Manual - Furuno [2003, PDF]
Furuno Doppler Speed Log DS-80_Installation Manual - Furuno [2019, PDF]
Furuno Operator's manual Doppler Sonar Model DS-60 - Furuno [2010, PDF]
JRC Echo Sounder Instruction Manual JFE-380 - JRC [2012, PDF]
JRC Echo Sounder Instruction Manual JFE-680 - JRC [2012, PDF]
Furuno Navigational Echo Sounder FE-700 - Furuno [2000, PDF]
The Tufmon MEV282…Oil Mist Detector/Manual Instruction [PDF]
Furuno Operator's Manual Echo Sounder Model LS-4100, LS-6100 - FURUNO [2002, PDF]
JRC Doppler Log JLN-740-741 Instruct Manual - JRC [2019, PDF]
LOAD MORE
  • Reply

The time now is: Today 07:12

All times are GMT + 3 Hours