John Ai ®   05-Mar-2023 13:10

Sewage Treatment Plant


Year: 2012
Language: english
Author: IL Seung Co.,Ltd
Genre: Manual
Format: PDF
Quality: eBook
Pages count: 51
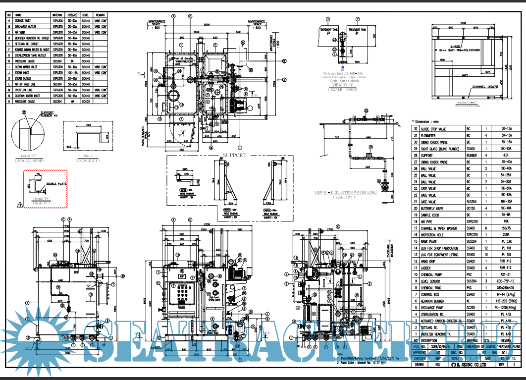
Description: Sewage treatment plant ISS series treats waste water with a large amount of fixed contact media.
Model >> ISS -35N
-The way in which the waste water is oxidized and decomposed by microorganisms (bacteria) attached to fixed contact media
-Adoption of Feed-back system of solid matter and activated carbon
-Sludge production is low due to the long solids retention time
-Each tank can be divided and replaced
-Low maintenance cost and easy maintenance (Activated Carbon provides much lower maintenance cost than Membrane type.)

Contents

Screenshots

Sewage Treatment Plant.pdf

Download [4 KB]

Thank U
Reply
refresh list

Similar releases

Engine Room Waste Management: Oily Water and Separators - Pat Mitchell [2007, PDF]
Engine room waste mangement - Sewage and waste water treatment - Pat Mitchell [2007, PDF]
Sewage Water Treatment Plant-Technical Manual for Installation Operation & Maintenance - Facet…
Quantum Reverse Osmosis RO Plant 30T Plant & 2500P UV Sterilizer Manual - QUANTUM WATER ENGINEERING…
The Operation and Maintenance of Machinery in Motorships - N E Chell [1999, PDF]
Waste Assessment Guidelines under the London Convention and Protocol - IMO [2014, PDF]
ScanJet SC 15TW Instruction Manual - www.scanjet.se [2012, PDF]
ScanJet SC 30T Instruction Manual - www.scanjet.se [2009, PDF]
AALBORG burner type WH MS7Z [PDF]
Ballast Water Treatment System Ocean Guard +Troubleshooting - Manual [2017, PDF]
LOAD MORE
  • Reply

The time now is: Today 22:05

All times are GMT + 3 Hours