zxc ®   09-Dec-2012 17:03

MCV 1400-5T-15,5M PROVISION CRANE


Year: 1990
Language: english
Author: A/S HYDRALIFT
Genre: INSTRUCTI0N MANUAL
Format: PDF
Quality: Scanned pages
Number of pages: 27
Description: This Hydralift crane is to be welded directly to the deck or some othertypeofsupport.
As a minimum requirement (of the various classification
organizations) the deck must be designed to withstand the cranes max. bending moment with a 25% overload.
MOTE: 1. To avoid distortion of slew bearing support flange, we
recommend to weld the crane base to substructure before crane slew bearing is connected to crane base.
2. Check adjoining welding grooves to obtain an even gap through the circumference. Also an evenly distributed heat input is required to avoid distortion.
3. The flange is obviously more exposed to distortion if
deck stiffeners , platforms etc. are welded to crane base. All such welding has to be completed and the
structure has to return to normal temperature before the slew bearing support flange is measured for flatness.
4. For optimal slew bearing life the base flange flatness
has to be kept within given tolerances, see G.A.
drawing.
Before mounting base and slew bearing together check the
following: ‘
1. Flange machined surface is clean and free from paint and welding slag, etc.
2. Check bolt lenght. Only bolt type indicated in the parts list are to be used.
3. The bolt holes in the base flange must natch so that the bolts go freely through the holes and without resistance when rotated in the holes.
4. Hardened washers as indicated in parts list and on G.A.
drawing are to be used under bolt heads.
5. The tightening torque indicated on the G.A. drawing is based
upon lightly oiled bolt thread surface. Ue recommend lubricating with MOLYCOTE 1000 because of its relative
stability between tightening torque and bolt tension with
special consideration given to re-tightening. MOLYCOTE 1000
is also a corrosion inhibitor.
The crane construction, is a complete unit with the el.motor built into the crane base.
The el.motor shoud be equipped with a heating element wich must be n0NM when the crane is not in use.
NOTE !
PORT SIDE CRANE AND STARBOARD SIDE CRANE TO BE SYMMETRIC.
THE FOLLOWING CERTIFICATES ARE. DELIVERED WITH THE CRANE:
SHACKLE : A COPY OF MANUFACTURERS TEST CERTIFICATE
HOOK BLOCK : A COPY OF MANUFACTURERS TEST CERTIFICATE
WIRE : A COPY OF MANUFACTURERS TEST CERTIFICATE
EL. MOTOR : A COPY OF MANUFACTURERS TEST CERTIFICATE
REMOTE START/
STOP SWITCH : A COPY OF MANUFACTURERS TEST CERTIFICATE

More...

MAKERS SPARE PARTS LIST
Following spare parts are included in maker's supply pr. vessel. 1 shipset spare parts consisting of:
For el. motor:
1 set Bearings for el. motor
For el. staarter:
1 pc Spool for magnetic contactor
1 pc Contact set for magnetic contactor
1 pc Thermal realy
1 set Pilot lamp bulb
1 set Lens for lamp |
1 pc Transformer
For hydraulic components:
2 pc Oil filter cartridge
1 pc Shaft seal for hydr. pump
1 pc Shaft seal for hydr. winch motor
1 pc Shaft seal for hydr. slew motor
Spare parts are packed in 1 pc steel box.
MATERIAL: STEEL
PAINT COLOUR:LIGHT GREEN
SPARE PARTS SHALL BE PACKED IN SEPARATE BOX FOR EACH INDIVIDUAL VESSEL.
LIST OF OIL QUANTITIES See also lubrication chart for right grade and type o
System oil : 500 liters
Winch gearbox : 2,8 liters
Slew gearbox : 8,0 liters
i
REMARKS - IU r I!« VAl.S
KEEP VM:LI. LimitlCAH'l) rtl Al.l. I SI I LLSTAIJl) WILL ALLOW HA It If IU AtJL) CAUSE HIUIUIAL C(J 1(1(05 I Oil.
1 mi: s. no 11. I'Lhlkam: w
1II a 1 l(L
FOR CARGOCRAIICS: LUflll I CAT E Pit I Oil 70 COMMLNCE-
HEHT OF DISCHARGE Alll) LOADIIIG, AHU OIICE PER DAY OIJRIHG C(?»rif/0U5 HOHK. FOR UMLIfY C/MJJfS: EVERY MON III Oil ACCURUIIIG 10 SIIII» HA IHTEHANCZ SYSUH.
LUUR1CAIE EVERY SECOMU MOHIII.
INITIAL TREATMEU1S IS: MOLYCOTE IG5 LI.
MANUFACTURERS RECOMMENOAT ION: SLEW IMHIOII AIIO
SLEW RING INNER TEETH TO UE KEPT HELL GREASED AT ALL TIMES. INTERVALS ACCORDING TO WORKING INTENS1 TY.
CHANGE OIL AFTER FIRST 20 RUNNING HOURS. THERE AFTER EVERY 200 HOURS OR OHCE PER YEAR. BEFORE OIL CHANGE, MAKE-SURE GEAR UOX IS HARM, EITHER UY RUNNING TO REACH WORKING TEMP ANU IN WARM WEATHER. NEW OIL TO HEATED TO GO'C. KEEP .OIL LEVEL CORRECT OY CHECKING LEVEL PLUG.
SEE INSTRUCTION MANUAL FOR OIL CAPAS1TIES.
LUBRICATE EVERY SECONO MONTH OR ACCOROIIIG TO SHIPS MAINTENANCE SYSTEM.
NOTE: 00 NOT USE MOLYOUENUM BASED GREASE.
RETURN LINE OIL FILTER CARTRIDGE TO BE CHANGED
AFTER 20 RUNNING OURS AND YEARLY
FOR SYSTEM LESS THAN 500L.CAPAC I TY; CHANGE YEARLY.
" " MORE " " " : OIL CONDITION
TO BE ANALYZES AFTER 20 RUNNING HOURS. THEREAFTER YEARLY CHECK. KEEP OIL REPORTS LOGGED. RETURN LINE OIL FILTER CARRTRIDGE TO UE CHANGED YEARLY.
This document and atl information and data disclosed herein or herewith are the confidential and proprietary
property of MARITIME HYDRAULICS and are not to be used, reproduced or disclosed in whole or in part
by or to anyone without the written permission of MARITIME HYDRAULICS.
Tolerances except as noted Welding except as noted
Rev. Description of revision Date / Sign.
A According To Daewoo gommemTs 90-05.07 62.
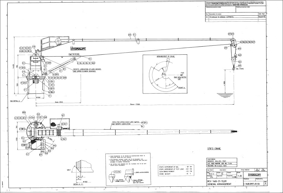
PIPES FOR UPPER HOIST LIMIT SWITCH AND REMOTE LUBRICATION _______________
DETAIL A, 1:1
1. CRANE FOUNDATION TO BE WELDEO TO SUBSTRUCTURE PRIOR TO INSTALLING CRANE WITH SLEW BEARING.
2. SLEW BEARING SUPPORT FLANGE HAS TO BE MEASURED FOR FLATNESS AFTER ALL WELDING HAS BEEN COMPLETED AND STRUCTURE RETURNEO TO NORMAL TEMPERATURE.
3. FOR OPTIMAL SLEW BEARING LIFE THE FLATNESS HAS TO BE KEPT WITHIN GIVEN TOLERANCES.
0,190
SLEW BEARING SUPFDRT FLANGE
"-3L. CRANE w/SLEW BEARING
TORQUE = 62Kpm USE SPECIFIED BOLTS AND WASHERS
CUSTOMER:
DAEWOO HULL NO.: 5501
STATIC KIPMOMENT AT SWL. : 97 TM
STATIC KIPMOMENT AT TEST LOAD :117 TM
SLEW BRAKE MOMENT •• 21.1 TM
CRANE WEIGHT >8 T
A/S NOR-MARINE JOB NO.:71/90 MACHINE NO. K2S25-1890
Qty. Item Description DrwgV Material Unit Part
weight number
Date Drawn Traced Scale ■,
5to.D2.l2 1:25
Checked Approved Projection HYDRALIFT
4S *3^
MCV U00-5T-15.5M Replaces Replaced by
A/S HYDRALIFT
u
PARTS LIST
PAGE 1 -OF 6
Revised:26.03.90 TL/rbj DRW. REF.:C.1400.0117.Al-66
C.1400.0117.A1-66H
CRANE TYPE : MCV 1400-5T-15,5M MACHINE NO.: K2825-1890
(B) BUILDER SUPPLY (DAEWOO)
?0S. NO. ART.NO. DESCRIPTION QTY. SPECIFICATION
H MAIN SYSTEM
HI 14431 MAIN PUMP 1 PA 1911 R3B26A
H2 MAIN CONTROL VALVE 1 VB 1107 NDN P-175, LH ASSY
H3 11250 HYDR. OIL FILTER 1 TTF-170
H4 11259 FILTER ELEMENT FOR H3 1 TXX4-10
H5 15058 HYDR. OIL FILLING ARR. 1 EF4-50HY 2" BSP
H6 15049 . HYDR. OIL LEVEL INDICATOR 1 UC-FL-213
H7 | DRAIN VALVE 1 51-1" w/PLUG
H8 11993 MINIMESS PRESSURE POINT 1 ST-04, R 1/4" BSP 316
Hll RUBBER SEAL FOR PUMP 1 2mm NEOPRENE
H12 STUD BOLTS FOR PUMP w/NUT 4 M12x30, DIN 938-8.8
H13 15061 INITIAL SERVO PRESS .VALVE 1 VDR R16-C2
H27 14403 EMERGENCY STOP VALVE 1 SSV 09x9L Hy
(P-K)PK-1400-66
DESCRIPTION QTY. SPECIFICATION
SLEW SYSTEM
SLEW RING 1
BOLTS FOR SLEW RING, 54
OUTER RING. TYPE 1.
BOLTS FOR SLEW RING, 6
OUTER RING. TYPE 2.
BOLTS FOR SLEW RIMS, 60
INNER RING
NUT F/BOLT IN SLEW RING 54
WASHER, HARDENED 174
SLEW GEAR BOX 1
BOLT FOR GEARBOX MOUNT. 16
HYDR. SLEW MOTOR 1
STUDBOLT FOR SLEWMOTOR/ GEAR w/NUT 4
SLEW RESTRICTOR VALVE 2
SLEW STOP VALVE 1
SLEW STOP VALVE 1
SLEW STOP VALVE 1
RED CAP F/SLEW RING BOLT 54 RED CAP F/MOUNTING BOLTS SLEWSEAR 16
SLEW STOP ARRANGEMENT 1
PILOT OPER. CHECK VALVE SLEW LEFT 1
PILOT OPER. CHECK VALVE SLEW RIGHT 1
JIB ANGLE OVERRIDE VALVE 1 SLEW STOP VALVE 1
SLEW STOP VALVE 1
BLEEDER VALVE 2
062.30.1400.Oil.41.1504 UNBRAKO M20xl50, U-130 DIN 912-12.9 UNBRAKO M20xl00, U-130 DIN 912-12.9 UNBRAKO M20xl50, U-130 DIN 912-12.9 M20, DIN 6330-10 039/021 x 6
S385 (m=12 z=12 c=0,5 b=88) 1=146,8 SAE C UNBRAKO Ml6x50, DIN 912-12.9 MC 2208 C5B25D
Ml2x30, DIN 938-8.8 VDR R16-C2 VB 1006N w/HPOO DSV 06x26L DSV 06x26L DBI DOT NO.:50
DBI DOT NO. :41 DRW.NO.:
RH 2
RH 2
TZ3-1 / HL 06.297 SSV 09x31S SSV 09x31S FT 1251/2-01-1/4"
(P-K)PK-1400-66
POS.NO. ART.NO. DESCRIPTION QTY. SPECIFICATION
JIB CYLINDER 1
CYLINDER VALVE 1
BEARING FOR CYLINDER 2
CYLINDER BOLT 2
LOCK PLATE F/CYL. BOLT 2 SPACER RING F/CYL INDER BEARING 4
LOCK BOLT FOR CYL. BOLT 2 BOLT w/HOLE 1/4” BSP F/B4 1 BOLT w/LUB. NIPPLE FOR CYLINDER BOLT 2
HYDR. PIPE ON CYLINDER 1 PRESSURE REDUCTION VALVE 1 BLEEDER VALVE 1
CYLINDER VALVE HOUSE 1
MINIMESS PRESSURE POINT 1 SELECTOR VALVE 1
CHECK VALVE, PILOT OPER. 1 SHUTTLE VALVE 1
BLEEDER VALVE 1
C10SS 0225/0l3Oxl835-TB,
CL-CL=2574
BM 131347
GE 120 D0-2RS
DRW. NO: C. 1400.0150. A2.7008
DRW.NO: C. 1400.0150 .A2.7008
DRW. NO: C. 1400.0150. A2.7008 M3Gx80, DIN 933-8.8 M3 0x50
M30x50, DIN 933-8.8, 1/4" BSP 025x3x2000 BM 113574 FT 1251/2-01-1/4"
BM 131856-1
ST04 Rl/4" BSP 316
HZ 3-1-1/4"
RH 2
VFC-NC / Rl/4 FT 1251/2-01-1/4"
(P-K)PK-1400-66
4
POS.NO. ART.NO. DESCRIPTION QTY. SPECIFICATION
f4
W WINCH SYSTEM
W1 16791 WINCH GEARBOX 1 W171 SAE C i=31,36
W2 BOLT FOR WINCH GEAR
TO FOUNDATION 12 UNBRAKO Ml2x45, DIN 912-12.9
W3 HYDR. WINCH MOTOR 1 MC 2210 C5B25D
m 16240 STUDBOLT w/NUT FOR
HYDR. MOTOR/GEAR 4 Ml2x30, DIN 938-8.8
W5 (B) WINCH ARRANGEMENT 1 DRW.NO.: HLR 689-10
W6 BOLT FOR WINCH TO JIB 10 M20x80, DIN 931-8.8
W7 NUT FOR W6 20 M20, DIN 934-8
W9 BOLT FOR GEARBOX/DRUM 12 UNBRAKO Ml2x45, DIN 912-12.9
W15 14422 LOAD HOLDING VALVE 1 VBSO-SE-NA 05.41.62-03-04-35
W20 WIRE 84m 0l3mn, DYFORM 18x7, GALVANIZED
W21 CARGO HOOK w/FRAMLOCK 1 BRISAFE 6 / FRAMLOCK NO.16
W22 (B) CARHO HOOK BLOCK 1 SWL 5 TONS
W23 SHACKLE 1 SWL 3 TONS
W25 (B) WIRE SHEAVE 2 12"
W26 (B) BEARING FOR WIRESHEAVE 4
W27 (B) BOLT FOR WIRESHEAVE 2 DRW.NO.: HLR 389.110
W28 (B) LOCK BOLT FOR MAIN BOLT
(W27) 2 Ml2x40, DIN 933-8.8
VJ29 (B) LOCK PLATE t
FOR MAIN BOLT (W27) 2 DRW.NO.: HLR 389.110
W31 (B) DISTANCE BOLT FOR
WIRE SHEAVE BRACKET 3 Ml6x120, DIN 931-8.8
W32 (B) NUT FOR DISTANCE BOLT 3 M16, DIN 934-8
W33 10038 HOOK STOP UP ARRANGEMENT 1 BM 132027
W34 WIRE FOR HOOK STOP ARR. 2 06mn, GALV. L=0,7m
W36 SELECTOR VALVE FOR
HOOK STOP UP 1 SSV 09x25S / HL 06.354
( P-K) PK-1400-66
POS. NO. ART. NO. DESCRIPTION
QTf. SPECIFICATION
K
MECHANICAL COMPONENTS
K1 '(B) CRANE BASE 1
K2 (B) CRANE KING 1
K3 (B) CRANE JIB 1
K5 14391 FLEXIBLE COUPLING 1
K6 13943 JIB BEARING 2
K7 14501 SEAL RING FOR JIB BEARING 2
K8 (B) JIB BOLT 1
K9 (B) LOCK PLATE FOR JIB BOLT 1
KLO LOCK BOLT FOR LOCK PLATE 1
Kll (B) BOLT FOR JIB BOLT
w/LUB. NIPPLE . 1
K16 (B) SET SCREW FOR
COUPLING PARTS 2
K17 (B) LUB. NIPPLE 2
K18 PLUG 1
K19 PACKING FOR INSP. HATCH
KING (NO.1) 1
K20 PACKING FOR INSP. HATCH '
KING (NO.2) 1
K23 PACKING FOR INSPECTION
HATCH BASE 1
DRW.NO. :C.1400.0150.Al.1011 DRW.NO. :C. 1400.0150.Al.2015 DRW.NO. -C.1400.0117.Al.3026 RADAFLEX 300-16 GE 120 DO V 220A
DRW.:C.1400.0150.A2.7007 DRW.: C. 1400.0150. A2.7008 M30x80, DIN 933-8.8
M30x50, DIN 933-4.6
M8xl5, STAINLESS PT 1/8" (JIS P1575)
504-6
2rrm NEOPRENE, 2x0620
2nm NEOPRENE, 2x115x200
(
2nvn NEOPRENE 2x700x830
(P-K)PK-1400-66
POS.NO. ART.NO. DESCRIPTION E EL. SYSTEM
QTY. SPECIFICATION
El
E2
E3
E12
E13
EL. MOTOR FOR MAIN PUMP
EL. STARTER BOX 1
REMOTE START/STOP BOX 1
MOUNTING BOLT F/EL. MOTOR 4 NUT FOR MOUNTING BOLTS 4
BROOK 7-UD 180LD, 37kW (S6-40%), 440V/60Hz/3ph HEATER : 220V/60Hz/lph
D.O.L.
XAL-B371
Ml6x60, DIN 933-8.8 M16, DIN 934-8
M MOUNTING DETAILS
Ml 16992 NAME PLATE w/SCREWS 2 HYDRALIFT
M2 17896 NAME PLATE w/SCREWS 1 SWL 5T-15,5M
M3 PIPE F/HOOK STOP 48m 016x2,5 DIN 1291C
M4 PIPE CLAMP 56 GS 0l6mn
M5 STRAIGHT COUPLING 15 HBTXS 16
M7 TUBE REDUCER 3 TRBTXS16-10
M9-1 BOLT F/HATCH 16 M12x20, DIN 933-8.8
M9-2 BOLT, STUD w/NUT 12 M12x25, DIN 938-8.8
Mll-1 PIPE F/REM3TE LUB. 24m 016 w/OOUPL./CLAMPS
Mll-2 PIPE F/REMDTE LUB. 3m 010 w/COUPL. /CLAMPS
M40 NAME PLATE 1 WINCH UP/DOWN
M41 NAME PLATE 1 JIB UP/DCWN
M42 NAME PLATE 1 SLEW RIGHT/LEFT
M43 NAME PLATE 1 MACHINE NO.:
me NAME PLATE 1 EMERGENCY STOP
(P-K)PK-1400-66
This document and ail information and data disclosed herein or herewith are the confidential and proprietary
property of MARITIME HYDRAULICS and are not to be used, reproduced or disclosed in whole or in part
by or to anyone without the written permission of MARITIME HYDRAULICS.
Tolerances except as noted Welding except as noted
Rev. Description of revision Date / Sign.
1 CRANE FOUNDATION TO 8E WELDED TO SUBSTRUCTURE PRIOR TO INSTALLING CRANE WITH SLEW BEARING
2. SLEW BEARING SUPPORT FLANGE HAS TO BE MEASURED FOR
FLATNESS AFTER ALL WELDING HAS BEEN COMPLETED AND STRUCTURE RETURNED TO NORMAL TEMPERATURE.
3 FOR OPTIMAL SLEW BEARING LIFE THE FLATNESS HAS TO BE KEPT WITHIN GIVEN TOLERANCES.
SLEW BEARING SUPPORT FLANGE
CRANE w/SLEW BEARING
TORQUE = 62Kpffi USE SPECIFIED BOLTS AND WASHERS
STATIC KIPMOMENT AT SWL : 97 TM
STATIC KIPMOMENT AT TEST LOAD ■117 TM
SLEW BRAKE MOMENT •21,1 TM
CRANE WEIGHT :~8 T
10
PORT CRANE
CUSTOMER
DAEWOO HULL NO.:5501
A/S NOR-MARINE JOB NO 71 /90 MACHINE NO K2826-1890
A/S HYDRALIFT
PAGE 1 OF 6
PARTS LIST
Revised;08.05.90 TL/rbj
DRW. REF. :C. 1400.0117.Al-67
C. 1400.0117.A1-67H
CRANE TYPE : MCV 1400-5T-15,5M MACHINE NO.: K2826-1890
(B) BOHXER SOPPLT (DAEWOO)
POS.NO. ART.NO. DESCRIPTION QTY. SPECIFICATION
H MAIN SYSHM
HI 14431 MAIN PUMP 1 PA 1911 R3B26A
H2 MAIN CONTROL VALVE 1 VB 1107 NDN P-175, LH
H3 11250 HYDR. OIL FILTER 1 TTF-170
H4 11259 FILTER ELEMENT FOR H3 1 TXX4-10
H5 15058 HYDR. OIL FILLING ARR. 1 EF4-50HY 2" BSP
H6 15049 HYDR. OIL LEVEL INDICATOR 1 UC-FL-213
H7 DRAIN VALVE 1 51-1" w/PLUG
H8 11993 MINIMESS PRESSURE POINT 1 ST-04, R 1/4" BSP 316
Hll RUBBER SEAL FOR PUMP 1 2mm NEOPRENE
H12 STUD BOLTS FOR PUMP w/NUT 4 Ml2x30, DIN 938-8.8
H13 15061 INITIAL SERVO PRESS .VALVE 1 VDR R16-C2
H27 14403 EMERGENCY’ STOP VALVE 1 SSV 09x9L Hy
(P-K)PK-1400-67
2
POS.NO. ART.NO. DESCRIPTION
QTY. SPECIFICATION
SUESf SYSTEM
51 13905 SLEW RING 1
52 BOLTS FOR SLEW RING, 54
OUTER RING. TYPE 1.
53 BOLTS FOR SLEW RING, 6
OUTER RING. TYPE 2.
54 BOLTS FOR SLEW RING, 60
INNER RING
55 NUT F/BOLT IN SLEW RING 54
56 WASHER, HARDENED 174
57 SLEW GEAR BOX 1
58 BOLT FOR GEARBOX MOUNT. 16
59 18001 HYDR. SLEW MOTOR 1
S10 15240 STUDBOLT FOR SLEWMOTOR/
GEAR w/NUT 4
SLEW RESTRICTOR VALVE 2
SLEW STOP VALVE 1
SLEW STOP VALVE 1
SLEW STOP VALVE 1
RED CAP F/SLEW RING BOLT 54
514 14376 RED CAP F/MOUNTING
i
BOLTS SLEWGEAR 16
515 (B) SLEW STOP ARRANGEMENT 1
S17 PILOT OPER. CHECK VALVE
SLEW LEFT 1
517 PILOT OPER. CHECK VALVE
SLEW RIGHT 1
518 JIB ANGLE OVERRIDE VALVE 1
560 11212 SLEW STOP VALVE 1
561 11212 SLEW STOP VALVE 1
562 18975 BLEEDER VALVE 2
Sll 15061 S12-1
S12-2 15902
S12-3 15902
S13 .14370
062.30.1400.011.41.1504 UNBRAKO M20xl50, U-130 DIN 912-12.9 UNBRAKO M20xl00, U-130 DIN 912-12.9 UNBRAKO M20xl50, U-130 DIN 912-12.9 M20, DIN 6330-10 039/021 x 6
S385 (m=12 z=12 0=0,5 b=88) i=146,8 SAE C
UNBRAKO Ml6x50, DIN 912-12.9 MC 2208 C5B25D
M12x30, DIN 938-8.8 VDR R16-C2 VB 1006N w/HPCO DSV 06x26L DSV 06x26L DBI DUT NO. :50
DBI DUT NO. :41 DRW.NO.:
RH 2 RH 2
TZ3-1 / HL 06.297 SSV 09x3IS SSV 09x3IS FT 1251/2-01-1/4H
(P-K)PK-1400-67
3
PGS.NO. ART.NO. DESCRIPTION
QTY. SPECIFICATION
B
JIB CHJUDER SYSTEM
B1 JIB CYLINDER 1
B2 15062 CYLINDER VALVE 1
B3 BEARING FOR CYLINDER 2
B4 (B) CYLINDER BOLT 2
B5 (B) LOCK PLATE F/CYL. BOLT 2
B6 (B) SPACER RING F/CYLINDER
BEARING 4
B7 LOCK BOLT FOR CYL. BOLT 2
B8-1 15865 BOLT w/HOLE 1/4" BSP F/B4 1
B8-2 BOLT w/LUB. NIPPLE FOR
CYLINDER BOLT 2
B9 HYDR. PIPE ON CYLINDER
BIO 15063 PRESSURE REDUCTION VALVE
Bll 18975 BLEEDER VALVE
B13 16790 CYLINDER VALVE HOUSE
B18 11993 MINIMESS PRESSURE POINT
B22 10182 SELECTOR VALVE
B60 14961 CHECK VALVE, PILOT OPER.
B61 15859 SHUTTLE VALVE
B62 18975 BLEEDER VALVE
C10SS 0225/0l3Oxl835-TB,
CL-CL=2574
BM 131347
GE 120 DO-2RS
DRW. NO: C. 1400.0150 .A2.7008
DRW.NO:C. 1400.0150.A2.7008
DRW.NO:C.1400.0150. A2.7008 M30x80, DIN 933-8.8 M30x50
M30x50, DIN 933-8.8, 1/4" BSP
025x3x2000
BM 113574
FT 12 51/2-01-1/411
BM 131856-1
ST04 Rl/411 BSP 316
HZ 3-1-1/4"
RH 2
YFC-NC / Rl/4 FT 1251/2-01-1/4"
i
(P-K)PK-1400-67
POS.NO. ART.NO. DESCRIPTION QTY. SPECIFICATION
W WINCH SYSTEM
W1 16791 WINCH GEARBOX 1 W171 SAE C 1=31,36
W2 BOLT FOR WINCH GEAR
TO FOUNDATION 12 UNBRAKO M12x45, DIN 912-12.9
W3 HYDR. WINCH MOTOR 1 MC 2210 C5B25D
W4 16240 STUDBOLT w/NUT FOR
HYDR. MOTOR/GEAR 4 • Ml2x30, DIN 938-8.8
W5 (B) WINCH ARRANGEMENT 1 DRW.NO.: HLR 689-9
W6 BOLT FOR WINCH TO JIB 10 M20x80, DIN 931-8.8
W7 NUT FOR W6 20 M20, DIN 934-8
W9 BOLT FOR GEARBOX/DRUM 12 UNBRAKO Ml2x45, DIN 912-12.9
W15 14422 LOAD HOLDING VALVE 1 VBSO-SE-NA 05.41.62-03-04-35
W20 WIRE 84m 0l3mm, DYFORM 18x7, GALVANIZED
W21 CARGO HOOK w/FRAMLOCK 1 BRISAFE 6 / FRAMLOCK NO. 16
W22 (B) CARHO HOOK BLOCK 1 SWL 5 TONS
W23 SHACKLE 1 SWL 3 TONS
W25 (B) WIRE SHEAVE 2 12"
W26 (B) BEARING FOR WIRESHEAVE 4
W27 (B) BOLT FOR WIRESHEAVE 2 DRW.NO.: HLR 389.110
W28 (B) LOCK BOLT FOR MAIN BOLT
(W27) 2 M12x40, DIN 933-8.8
W29 (B) LOCK PLATE
FOR MAIN BOLT (W27) 2 DRW.NO.: HLR 389.110
W31 (B) DISTANCE BOLT FOR
WIRE SHEAVE BRACKET 3 Ml6x120, DIN 931-8.8
W32 (B) NUT FOR DISTANCE BOLT 3 M16, DIN 934-8
W33 10038 HOOK STOP UP ARRANGEMENT 1 BM 132027
W34 WIRE FOR HOOK STOP ARR. 2 06mm, GALV. L=0,7m
W36 SELECTOR VALVE FOR
HOOK STOP UP 1 SSV 09x25S / HL 06.354
(P-K)PK-1400-67
5
POS.NO. ART.NO. DESCRIPTION QTY. SPECIFICATION
K MECHANICAL COMPONENTS
Kl (B) CRANE BASE 1 DRW.NO. :C. 1400.0150.Al. 1011
K2 (B) CRANE KING 1 DRW.NO. :C. 1400.0150.Al.2015
K3 (B) CRANE JIB 1 DRW.NO. :C. 1400.0117.Al.3026
K5 14391 FLEXIBLE COUPLING 1 RADAFLEX 300-16
K6 13943 JIB BEARING 2 GE 120 DO
K7 14501 SEAL RING FOR JIB BEARING 2 V 220A
K8 (B) JIB BOLT 1 DRW. :C. 1400.0150.A2.7007
K9 (B) LOCK PLATE FOR JIB BOLT 1 DRW. :C.1400.0150.A2.7008
K10 LOCK BOLT FOR LOCK PLATE 1 M30x80, DIN 933-8.8
Kll (B) BOLT FOR JIB BOLT
w/LUB. NIPPLE 1 M30x50, DIN 933-4.6
K16 (B) SET SCREW FOR
COUPLING PARTS 2 M8xl5, STAINLESS
K17 (B) LUB. NIPPLE 2 PT 1/8" (JIS P1575)
K18 PLUG 1 504-6
K19 PACKING FOR INSP. HATCH
KING (NO. 1) 1 2mm NEOPRENE, 2x0620
K20 PACKING FOR INSP. HATCH
KING (NO.2) 1 2mm NEOPRENE, 2x115x200
K23 PACKING FOR INSPECTION
HATCH BASE 1 2mm NEOPRENE 2x700x830
(P-K)PK-1400-67
pos.no. art.no.
DESCRIPTION
QTY. SPECIFICATION
EL. SYSTEM
El
E2
E3
E12
E13
EL. MOTOR FOR MAIN PUMP
EL. STARTER BOX 1
REMOTE START/STOP BOX 1
MOUNTING BOLT F/EL. MOTOR 4 NUT FOR MOUNTING BOLTS 4
BROOK 7-UD 180LD, 37kW (S6-40%), 440V/60Hz/3ph HEATER : 220V/60Hz/lph
D.O.L.
XAL-B371
M16x60, DIN 933-8.8 M16, DIN 934-8
H MOUNTING DETAILS
Ml 16992 NAME PLATE w/SCREWS 2 HYDRALIFT
M2 17896 NAME PLATE w/SCREWS 1 SWL 5T-15,5m
M3 PIPE F/HOOK STOP 48m 016x2,5 DIN 1291C
M4 PIPE CLAMP 56 ' GS 0l6mm
M5 STRAIGHT COUPLING 15 HBTXS 16
M7 TUBE REDUCER . 3 TRBTXS16-10
M9-1 BOLT F/HATCH 16 Ml2x20, DIN 933-8.8
M9-2 BOLT, STUD w/NUT 12 Ml2x25, DIN 938-8.8
Ml 1-1 PIPE F/REMOTE LUB. 24m 016 w/COUPL./CLAMPS
Ml 1-2 PIPE F/REMOTE LUB. 3m 010 w/COUPL./CLAMPS
M40 NAME PLATE WINCH UP/DOWN
M41 NAME PLATE 1 JIB UP/DOWN
M42 NAME PLATE SLEW RIGHT/LEFT
M43 NAME PLATE MACHINE NO.:
M46 NAME PLATE 1 EMERGENCY STOP
(P-K)PK-1400-67
A S T0RRKOPI
H
D
B
12
V
1 1
10
/ \
V
/\
p___ HOOK STOP UP
This document and ail information and data disclosed herein or herewith are the confidential and proprietary
property of MARITIME HYDRAULICS and are not to be used, reproduced or disclosed in whole or in part
by or to anyone without the written permission of MARITIME HYDRAULICS.
Tolerances except as noted Welding except as noted
Rev. Description of revision Date / Sign.
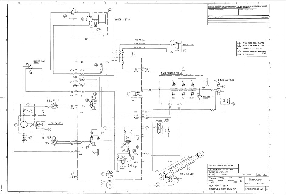
CUSTOMER: DAEWOO HULLN0.-5501
A/S NOR-MARINE JOB NO : 71/90
MACHINE NO K2825-1890
i I i OUTLET TO BE BELOW OIL LEVEL i I i OUTLET TO BE ABOVE OIL LEVEL HYDRAULIC HOSE w/COUPLINGS -<>H MINIMESS- PRESSURE MEASURING —X PLUGGED OUTLET P0WT
Qty. Item Description Drwg./ Material Unit Part
weight number
Date Drawn Traced Scale
9o.o2..f2 %
Checked Approved Projection HYDRALIFT
AS €3#
MCV 1400-5T-15.5M Replaces Replaced by
Rev.
C.1400.0117.A1-66H o
H
D
B
12
10
8
1
A/S HYDRALIFT
PAGE 1 OF 1
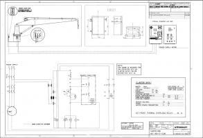
ELECTRICAL PARTS LIST
Revised:09.05.90 MS/wj DEW. REF.:C. 1400.0117 .A1—66S
CRANE TYPE : MCV 1400-5T-15/5M MACHINE NO.: K2825-1890
POS.NO. ART.NO. DESCRIPTION
K1 MAIN CONTACTOR
FI OPERATING FUSES
F2 OPERATING FUSES
F5 OVERLOAD RELAY
HI SIOIAL LAMP
H2 SIGNAL IAMP
H3 TIME SERVICE RECORDER
H5 SIGNAL IAMP
51 SWITCH ON/OFF
52 MAIN SWITCH
53 HEATER SWITCH
T1 OPERATING TRANSFORMER
PI AMP. METER W/TRAPO
QTY. SPECIFICATION
1 3TF 46-22
1 5SN2 306-5A/6 Artp
1 5SN2 306-5A/6 Arrp
1 3UA 5808-2E
1 3SB12 12—6BE06
MOTOR RUNNING GREEN 1 3SB12 12—6BF06
HEATER ON BLUE 1 BW40, 60Hz, 220V
1 3SB12 12-6BG06
SOURCE ON WHITE
1 C10-A176
1 C42 A202-600ER + SI M280D/B28S
1 C10-A291-62OE
1 440/220V, 60 Hz, 60 VA
1 EQ 48 75/150 - 5A
(P-K)PK-E1400-66S
(GJELDER OGS& 67S-68S-69S)

MCV 1400 5T 15,5 M - Deck Crane Final Drawings.pdf

Download [1 KB]

Thank U
Reply
refresh list

Similar releases

Framo Documentation / Equipment, Technical data, System drawings [2005, PDF]
Marine Cargo Crane GPS 250-0818 - Norlift [2007, PDF]
Mitsubishi Hydraulic Deck Crane 25-30 t (Finished plan) - Saikie Heavy Industries [2002, PDF]
GL 4524/4028-2S (Instruction manual) - MacGregor [2007, PDF]
NMF Crane DK II 250012/100026 (Operating Manual + Assembly instruction) [2002, PDF]
NMF Crane DK II 45 t. 45027,5/35032,2 (Instruction manual) [2005, PDF]
NMF Board crane DK III 45026,8/40029,5 (Instruction Manual + Addons) [2002, PDF]
SAACKE Boiler CD Manual [2006, HTML]
HHI-EMD Service Letter Books - HYUNDAI [2002-2008, PDF]
Deck crane GLBE3025-2/2425GR (Instruction manual) - MacGregor [2012, PDF]
LOAD MORE
  • Reply

The time now is: Today 21:05

All times are GMT + 3 Hours