Технарь ®   29-Mar-2025 02:34

Ship Electro-Pneumatic & Hydraulic (Electrical Circuit of Shipboard Pneumatic & Hydraulic)


Year: 2024
Language: English
Author: Arjay Magpantay
Genre: Guide
Publisher: World-Class Maritime Services
Edition: 1
ISBN: 978-971-01186-56
Format: PDF
Quality: eBook
Pages count: 102
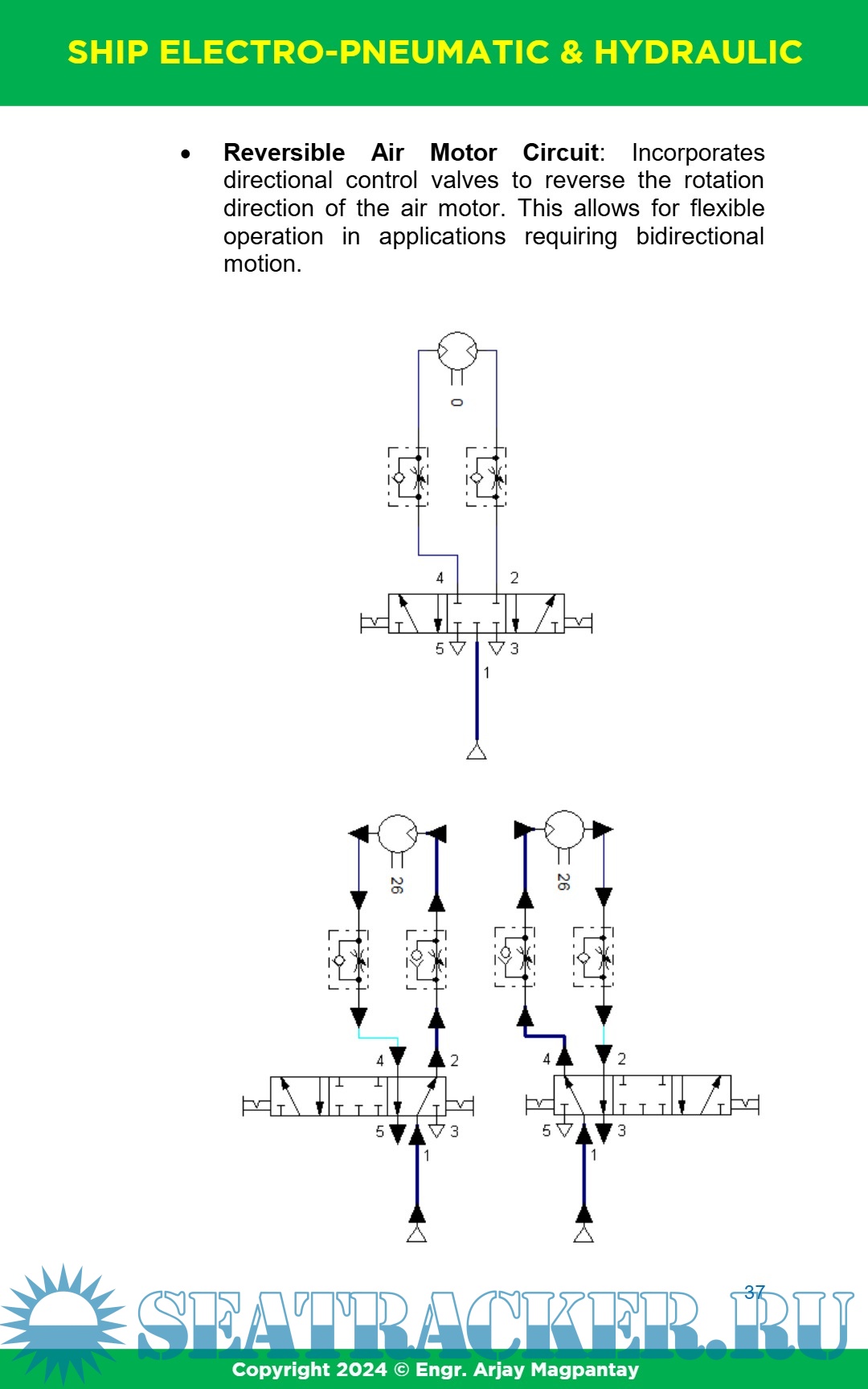
Description: The "Ship Electro-Pneumatic and Hydraulic" is a comprehensive guide designed to provide an in-depth understanding of electro-pneumatic system, covering everything from basic principles to detailed maintenance procedures. Whether you are a seasoned seafarer or newcomer keen on exploring the technical aspects of shipboard system, this manual aims to equip you with the knowledge and skills necessary to master electro-pneumatic technology. Electro-pneumatic system, which combines the strengths of electrical and pneumatic components, plays an important function in the automation and control of various shipboard operations. These systems are known for their precision, reliability, and ability to handle complex tasks with ease, making them indispensable in today's maritime world. This manual also includes bonus chapter about ship electro-hydraulic system.

Contents

Screenshots

SHIP ELECTRO-PNEUMATIC & HYDRAULIC by Engr. Arjay Magpantay.pdf

Download [2 KB]

Thank U
Reply
refresh list

Similar releases

Engineering Knowledge [2000, CHM]
A course in: «FRAMO» Hydraulic Cargo Pumping System Course v.1.0 - IMTC [2014, PDF]
Hydraulic Systems: A Complete Guide to Hydraulics knowledge - Udemy [2020, PDF]
Admiralty Manual of Seamanship BR 67 - The Nautical Institute [2014, PDF]
Advanced Motor Control Systems In Oil & Gas Industry [2024, MP4]
Instrumentation and Control for Offshore Electrical Systems [2024, MP4]
Marine Hydraulics Workshop - International Maritime Training Centre [2011, PDF]
Valve Selection In Piping Systems For Oil And Gas [2024, MP4]
Deck Cadet Booklet for Navigation - NYK [2008, PDF]
Pub. 173 - Sailing Directions (Enroute) - India and the Bay of Bengal (2022) - National Geospatial…
LOAD MORE
  • Reply

The time now is: Today 02:47

All times are GMT + 3 Hours