vitbar192 ®   08-May-2024 19:18

JYX64-00-550-1 JYM-FN-6.65 Normal type free-fall life boat. Instruction manual and test result of launching and recovering devices


Year: 2012
Language: English
Author: Collective
Genre: Documentation
Format: PDF
Quality: eBook
Pages count: 130
Description:This boat are designed, condtructed and equipped in accordance with "1983, 1996, 2000 and 2006 amendents to the international convention for safaty of life at sea, 1974", Lsa code "new Msc resolution 218(82), 226(82) and 272(85) to amend Msc.81(70)", "guidance for the approval and type approval of materials and equipment for marine use 1998" and also Med.
Boat type: Normal type free-fall life boat, model Jym-fn-6.65.
Specification.
General arrangement of free-fall life boat Jym-fn-6.65 (Normal type).
Equipment list for free-fall life boat.
General arrangement of engine.
Spare parts for diesel engine.
Detail of realise hook.
Arrangement of steering system.
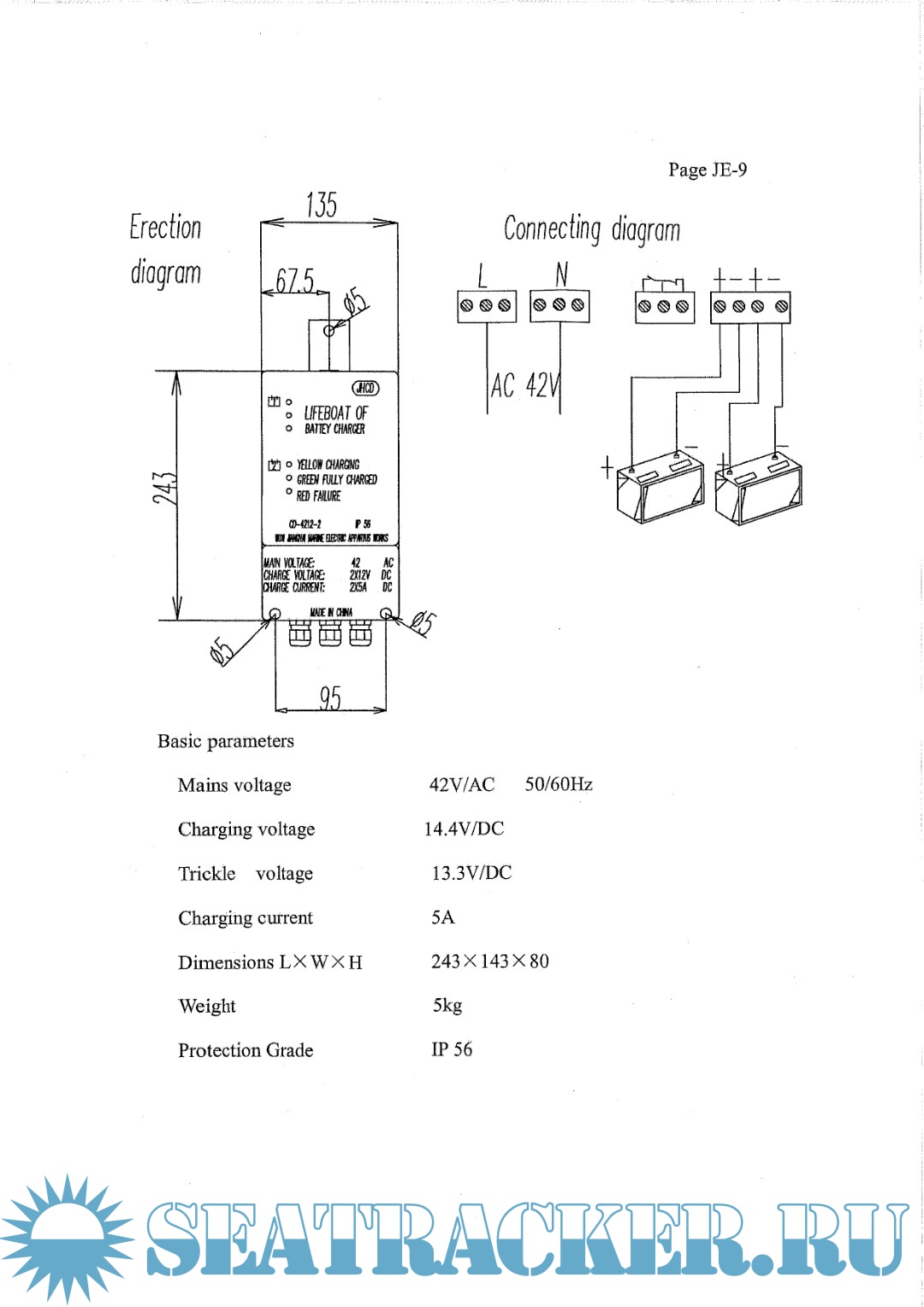
Arrangement of battery charging system.
Spare parts for electric parts.
Recommended lubrication oil, fuel and cooling water.
Freefall lifeboat operation & Maintenance manual.
Yanmar diesel engine operation manual.
Electric diagram.
Maintenance.

Contents

Screenshots

JYX64-00-550-1 JYM-FN-6.65 Normal type free-fall life boat. Instruction manual and test result of launching and recovering devices, 2012..pdf

Download [13 KB]

Thank U
Reply
refresh list

Similar releases

7S70ME-C Electronic Manual (Operation, Maintainance, Description, Accessories) - MAN B&W Diesel…
Avoid Life Boat Accident - A guide for safe launching and recovery by using fall preventer devices…
An Instruction To Freefall Lifeboats [2021, MP4]
Instruction Manual for Mission OS Boiler, KBO-E Burner - AALBORG [2008, PDF]
Main Engine Instructions for S50MC-C and K98MC - MAN B&W Diesel A/S [2010, PDF]
Schat-Harding Manual for (LSA Techninians) - Noreq and Schat-Harding [2013, PDF]
Yanmar Marine Propulsion Engine 8EY26W Operation Manual - Yanmar Marine Propulsion [2018, PDF]
MAN B&W L28/32H Manual - MAN B&W Diesel A/S [2005, HTML]
Yanmar 6EY26W Marine Propulsion Diesel Engine (Final Drawings) - Yanmar [2015, PDF]
AALBORG MISSION OL 20000 + AQ-2 (Instruction manual) [2005, PDF]
LOAD MORE
  • Reply

The time now is: Today 20:17

All times are GMT + 3 Hours