YYa ®   07-Feb-2021 19:39

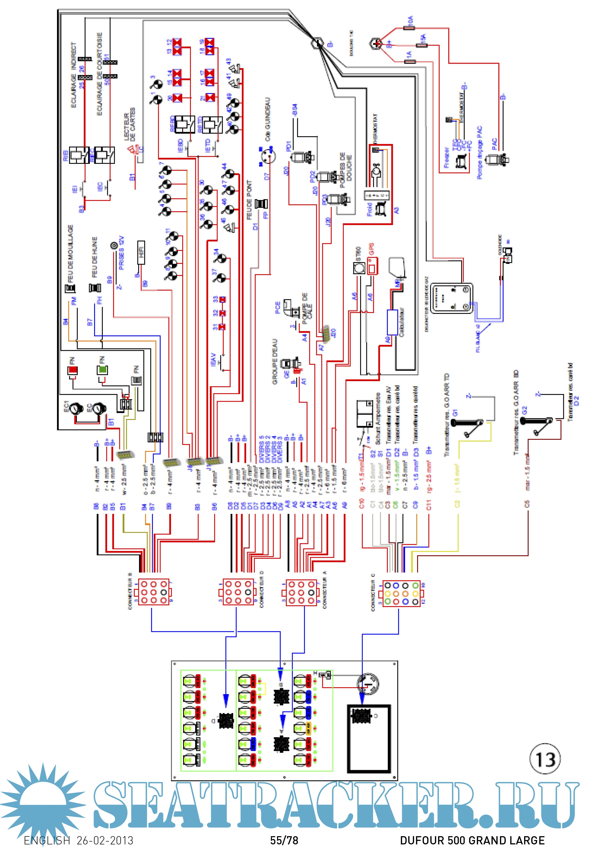
Dufour Yachts 500 Grand Large Owner's Manual


Year: 2013
Language: english
Author: Dufour Yachts
Publisher: Dufour Yachts
Format: PDF
Quality: eBook
Pages count: 78
Description: Original manufaturer manual.

Contents

Screenshots

Hidden

Download [7 KB]

Thank U
Reply
refresh list

Similar releases

Hanse 370 Skipper Manual - Hanse Yachts GmbH & Co. KG [2005, PDF]
Manual Dufour 31 - Dufour [200?, PDF]
Super Yachts: an Illustrated Tour of some of the World's Most Luxurious Yachts - Julian J.…
Surveying Yachts and Small Craft - Paul Stevens [2013, ePUB] - Paul Stevens [2013, EPUB]
The art of wooden boat repair a boatwrights secret tricks of the trade - Allen Cody Taube [2013,…
Modeling a Lowell Grand Banks dory (MS1470) - Antscherl D. [2019, PDF]
POSOW - Oiled Shoreline Cleanup Manual - POSOW [2013, PDF]
The Boatyard Book - A boatowner's guide to yacht maintenance, repair and refitting - Jollands…
The Offshore Race Crew’s Manual - Quarrie S. [2013, EPUB]
An Introduction to Electrical Science - Adrian Waygood [2013, PDF]
LOAD MORE
  • Reply

The time now is: Today 07:12

All times are GMT + 3 Hours