vitbar192 ®   30-Mar-2020 11:55

Installation, operation and troubleshoting - MM9000 Clear Command User Manual


Year: 2014
Language: english
Author: Marine Propulsion Systems
Genre: Manual
Publisher: Marine Propulsion Systems
Format: PDF
Quality: Scanned pages
Pages count: 332
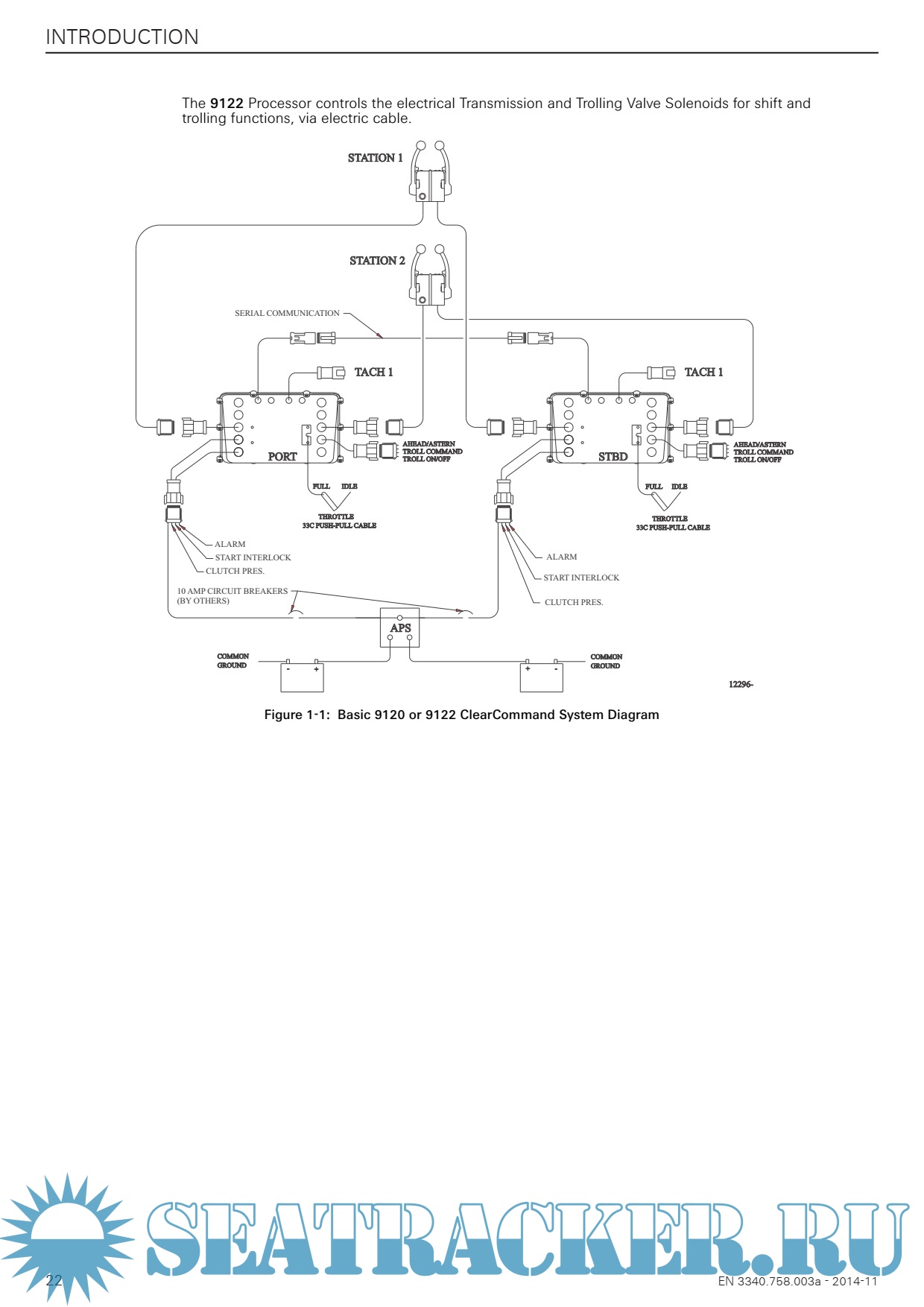
Description: Installation, operation and troubleshoting - MM9000 Clear Command User Manual.

Contents

Screenshots

Installation, operation and troubleshoting - ZF Clearcommand User Manual, 2014.pdf

Download [10 KB]

Thank U
Reply
refresh list

Similar releases

Installation, operation and troubleshoting - MM9110 Microcommand User Manual - Marine Propulsion…
Installation, operation and troubleshoting - MM14330 Cruisecommand User Manual - Marine Propulsion…
Installation, operation and troubleshoting - MMSC5000 Smartcommand User Manual - Marine Propulsion…
Installation - MM15475 - 521 & 522 Control Head Assemblies , Installation Manual - Marine…
Sperry Marine NAVITWIN IV Heading Management System Operation, Installation and Service Manual -…
Furuno Color Instrument FI-70 User Handbook - Furuno [2016, PDF]
Sewage Water Treatment Plant-Technical Manual for Installation Operation & Maintenance - Facet…
Trouble shooting and maintenance of boat engines - Peter Bowyer [1987, PDF]
CAT 3500C - 3508C Marine Engine - Parts Manual / Disassembly and assembly / Operation and…
Yanmar Marine Propulsion Engine 8EY26W Operation Manual - Yanmar Marine Propulsion [2018, PDF]
LOAD MORE
  • Reply

The time now is: Today 23:39

All times are GMT + 3 Hours