helloworld ®   19-Apr-2019 20:20

Ship's manuals and plans to accompany Bulk Carrier Practice


Year: 20xx
Author: Captain Jack Isbester ExC FNI
Developer: Nautical Institute
Platform: Windows
Format: EXE, PDF, JPG
Edition: 2-nd
64-bit OS compatibility: yes
Language: english
Crack: N/A
Description: These impressively clear documents increase the effectiveness of Bulk Carrier Practice as a source of information about modern bulk carriers and as a teaching aid and are therefore greatly appreciated.
Manuals:
  • Stability information manual
  • Grain stability manual
  • Ballast water management manual
  • Cargo loading and seeming manual
Plans:
  • General arrangement plan
  • Tank and capacity plan
  • Hold washing and drainage system plan
  • Docking plan
  • Midship section
  • Shell expansion (aft)
  • Shell expansion (forward)
  • Mooring arrangement
  • Life-saving equipment
  • Natural ventilation
  • Ballast/stripping system
  • Fire and safety plan
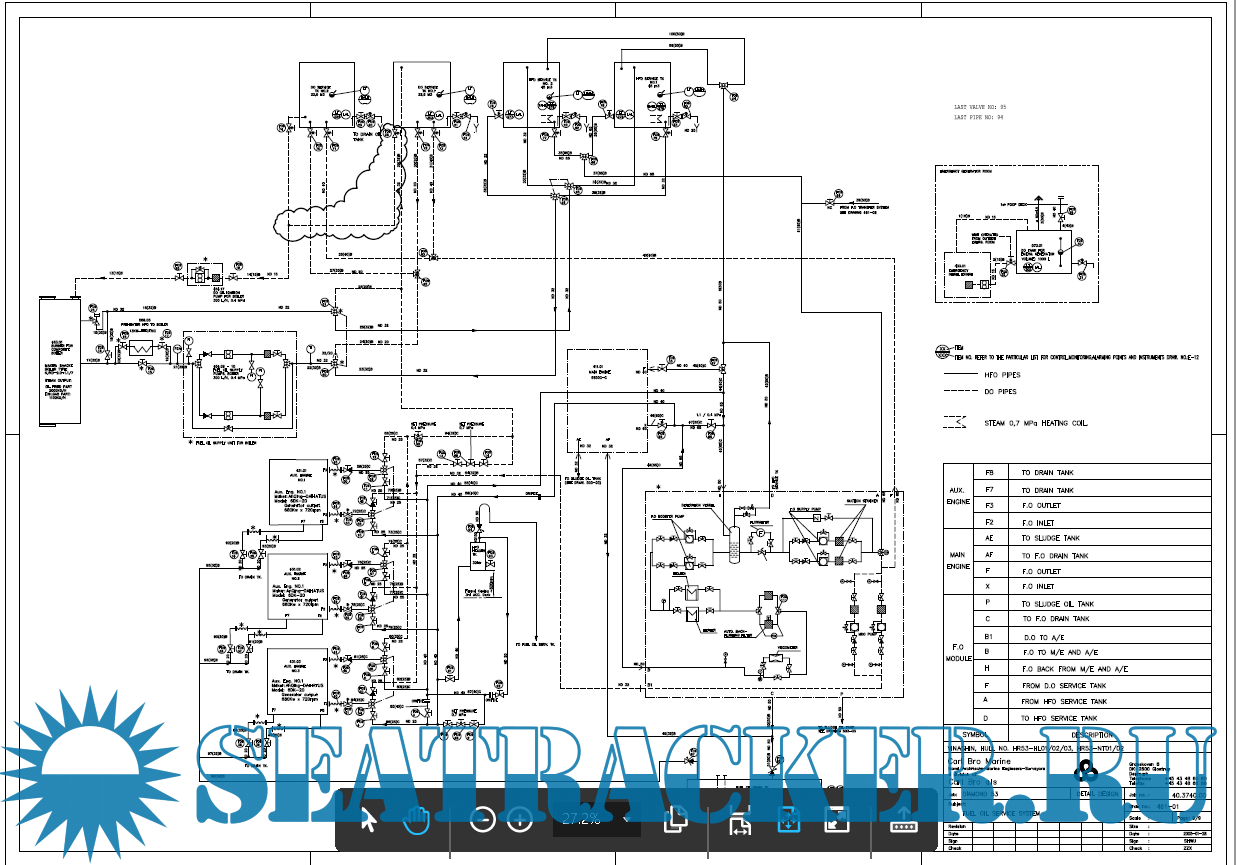
  • Fuel oil service system
  • Air, sounding and filling pipes
  • General arrangement of hatch covers
  • Sealing plan of hatch covers
Add. info: Use Start.exe to run the program.

Index

Screenshots

Ship Plan Nautical Institute

Download [15 KB]

Thank U
Reply
helloworld ®   19-Apr-2019 20:23
Note: This is same release as previous one, but is uncompressed (according to rules, files in compressed form is not allowed)... Cheers
5
Reply
refresh list

Similar releases

Bulk Carrier Stability Information & Calculation Manuals - Various [201x, PDF]
Ship Construction Notes for Deck Cadets - HP USER [20xx, PDF]
Ship Construction UG 21 T4204 - Capt. Deepak Karan [2018, PDF]
CODE OF PRACTICE FOR THE SAFE LOADING AND UNLOADING OF BULK CARRIERS JUNE - Australian Maritime…
Bulk Carrier Practice - Captain j. Isbester [2003, JPEG]
Rules for Ships Carrying Liquefied Gases in Bulk - Biro Klasifikasi Indonesia [2014, PDF]
Strength Analysis of Hull Structure In Bulk Carriers - DNV [2012, PDF]
Monthly Safety Scenario (MSS) issue January, 2026 - the Swedish Club [2026, PDF]
Bunkering [2017, MP4]
Bulk Carrier Practice (3rd Edition) - Cpt Jack Isbester [2023, PDF]
LOAD MORE
  • Reply

The time now is: Today 18:25

All times are GMT + 3 Hours