ferk ®   17-Aug-2018 19:31

FUNDAMENTALS OF VALVES AND PIPING FOR SHIPS


Year: 2011
Language: english
Author: IMMAJ
Genre: Technical book
Publisher: JAPAN
Edition: 2
ISBN: 256
Format: PDF
Quality: Scanned pages
Pages count: 70
Description: When it comes to ships, valves and piping are important infraestructure that connect a variety of installations and allow them to properly perform their respective functions.
The types, models and standards for valves and piping used on board ships are strictly according to purpose, pressure and other characteristics.
Familiariziring yourselves with their fundamental structures, materials and roles is of critical importance because doing so allows you to safety operate the ships on which you serve.

Contents

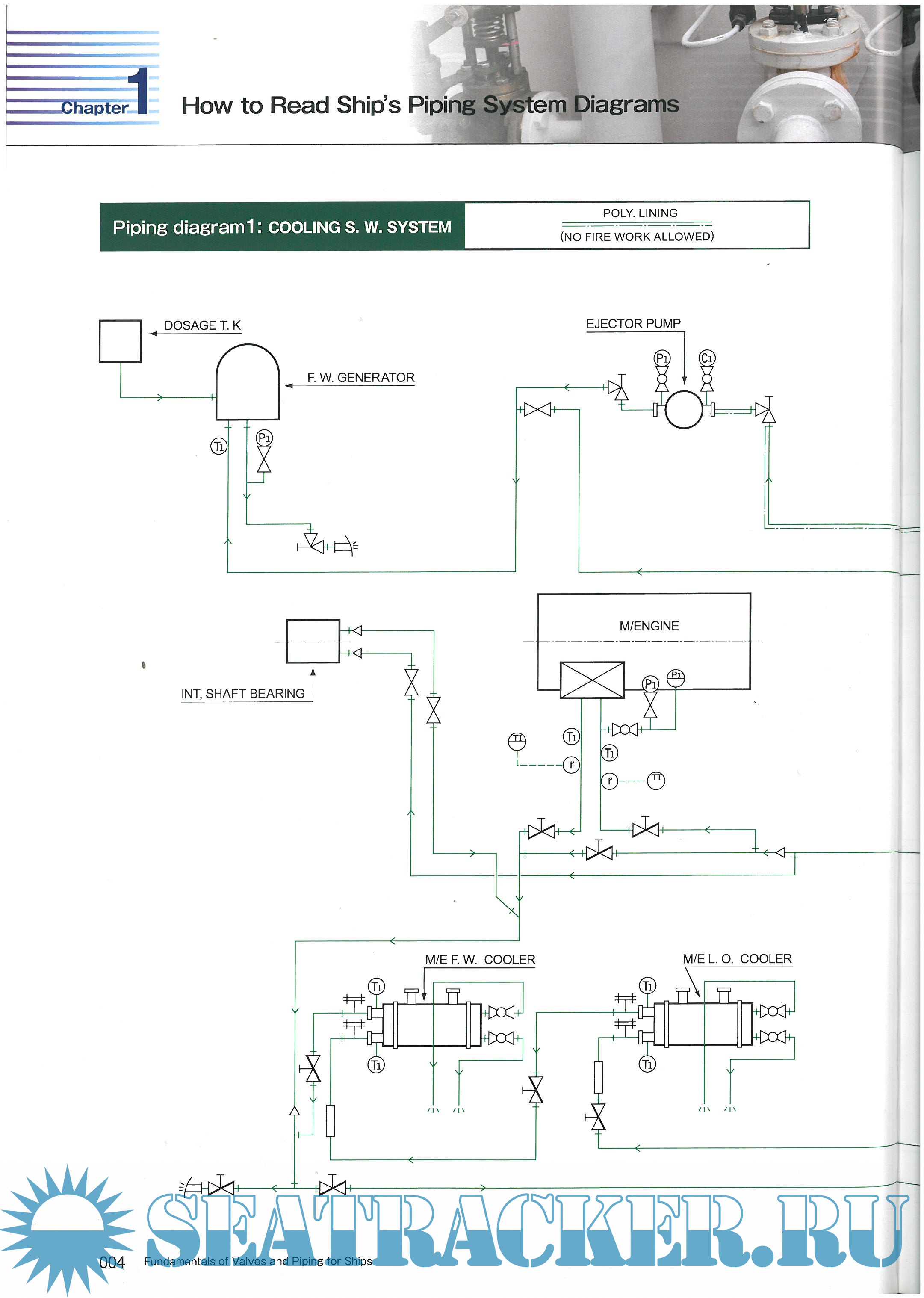
1 How to read ships piping system diagrams
2 Structures, motions, and handling of various valves
3 Seals
4 Pipes

Screenshots

fundamentals of valves and piping.pdf

Download [15 KB]

Thank U
Reply
refresh list

Similar releases

Recommendations for Relief Valves on Gas Carriers - SIGTTO [2020, PDF]
Recommendations For Relief Valves On Gas Carriers - SIGTTO [2020, PDF]
Handbook of Valves and Actuators - Brian Nesbitt [2007, PDF]
Local Strength of Ship Structures - Piero Caridis [2024, PDF]
Ship Hydrostatics and Stability - A Systematic Approach - Omar bin Yaakob [2012, PDF]
Valves, Piping and Pipelines Handbook - T.Dickenson [1999, PDF]
JSU CA Retirement Pay Plan Rules and Regulations - All Japan Seamen's Union [19XX, PDF]
Guide For Materials and Welding for Stainless Steels, 2019 - ABS [2018, PDF]
Pressure Relief Valve Engineering Handbook - Anderson Greenwood [2012, PDF]
Marine Online - Engine works [2017, MP4]
LOAD MORE
  • Reply

The time now is: Today 21:06

All times are GMT + 3 Hours