sugarspicesatya ®   19-Jan-2024 09:34

Manual for Hydraulic Assembly (Power pac)


Year: 2007
Language: English
Author: Selden
Genre: Manual
Format: PDF
Quality: eBook
Pages count: 60
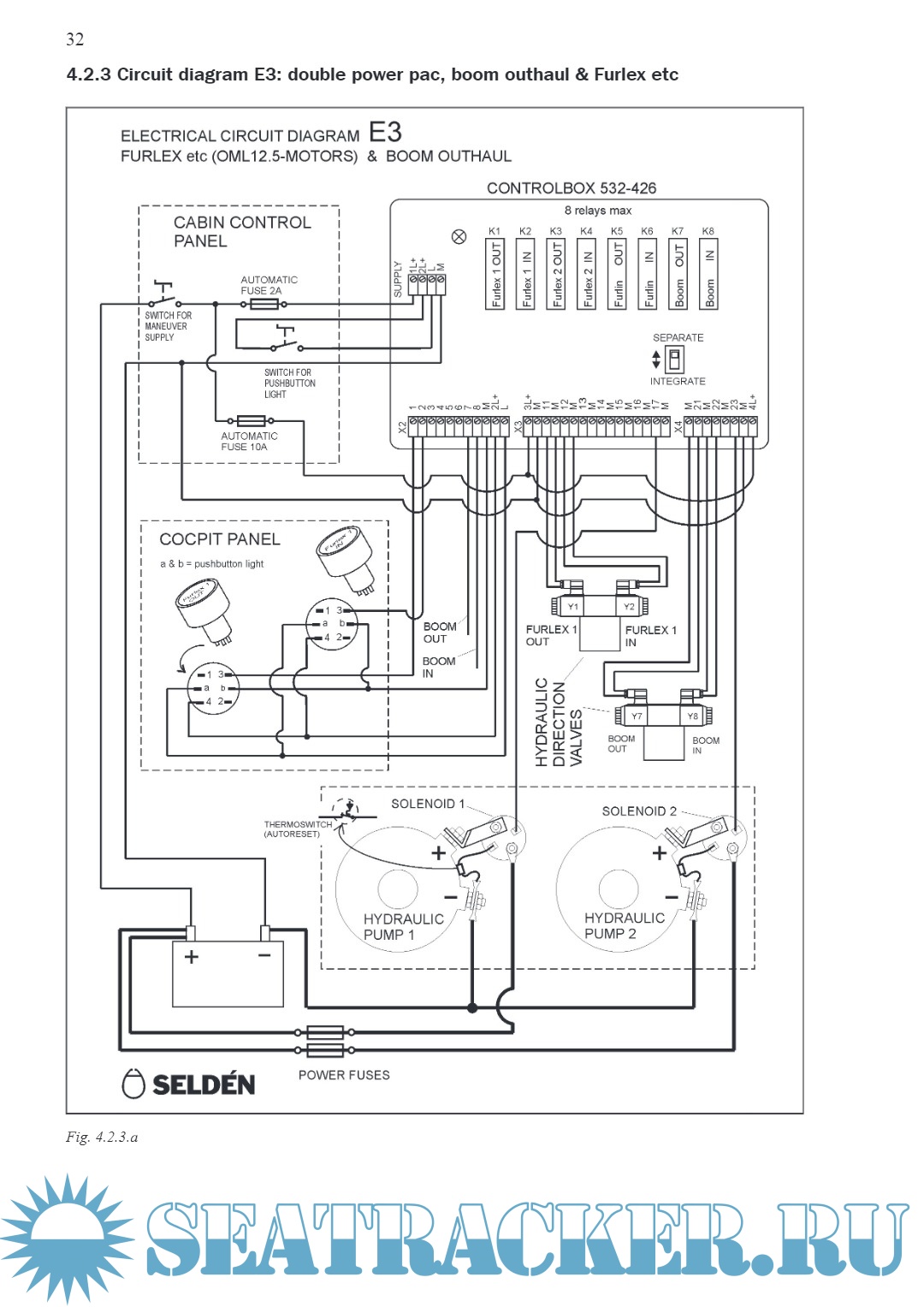
Description: This manual is a guide to Seldén’s series of power pacs. It shows how to install and operate the hydraulic pump and
motor with reference to both the electrical and hydraulic systems.

Contents

Screenshots

Manual for Hydraulic Assembly (Power pac).pdf

Download [11 KB]

Thank U
Reply
refresh list

Similar releases

Manual Hydraulic Boom Outhaul - Seldén Group [2009, PDF]
Anleitung zur montage und handhabung Typ RB & RC Hydraulik - Seldén-Gruppe [2007, PDF]
Manual for furling mast electric - Seldén Group [2014, PDF]
Foundation Course For Electrical Engineering Technician - 3G E-learning LLC [2021, PDF]
Pumps and Motors Course by Technical Learning College - Technical Learning College [2012, PDF]
Marine electrical systems - Collective [2007, PDF]
Electrical Submersible Pumps Manual - Gabor Takacs, Ph.D [2018, PDF]
Sailboat Electrical Systems: Improvement, Wiring and Repair - Don Casey [1999, MOBI/PDF/EPUB]
Hydraulics and Electrical Control of Hydraulic Systems - JIM PYTEL [2023, PDF]
Manual for Furling mast Type RB/RC - Seldén Group [2007, PDF]
LOAD MORE
  • Reply

The time now is: Today 05:34

All times are GMT + 3 Hours