twicer ®   30-Nov-2021 15:10

Marine and Offshore Pumping and Piping Systems


Year: 1981
Language: english
Author: J. Crawford
Publisher: Butterworth-Heinemann
Edition: 1st Edition @ August 27, 1981
ISBN: 9781483102467
Format: EPUB
Quality: eBook
Pages count: 390
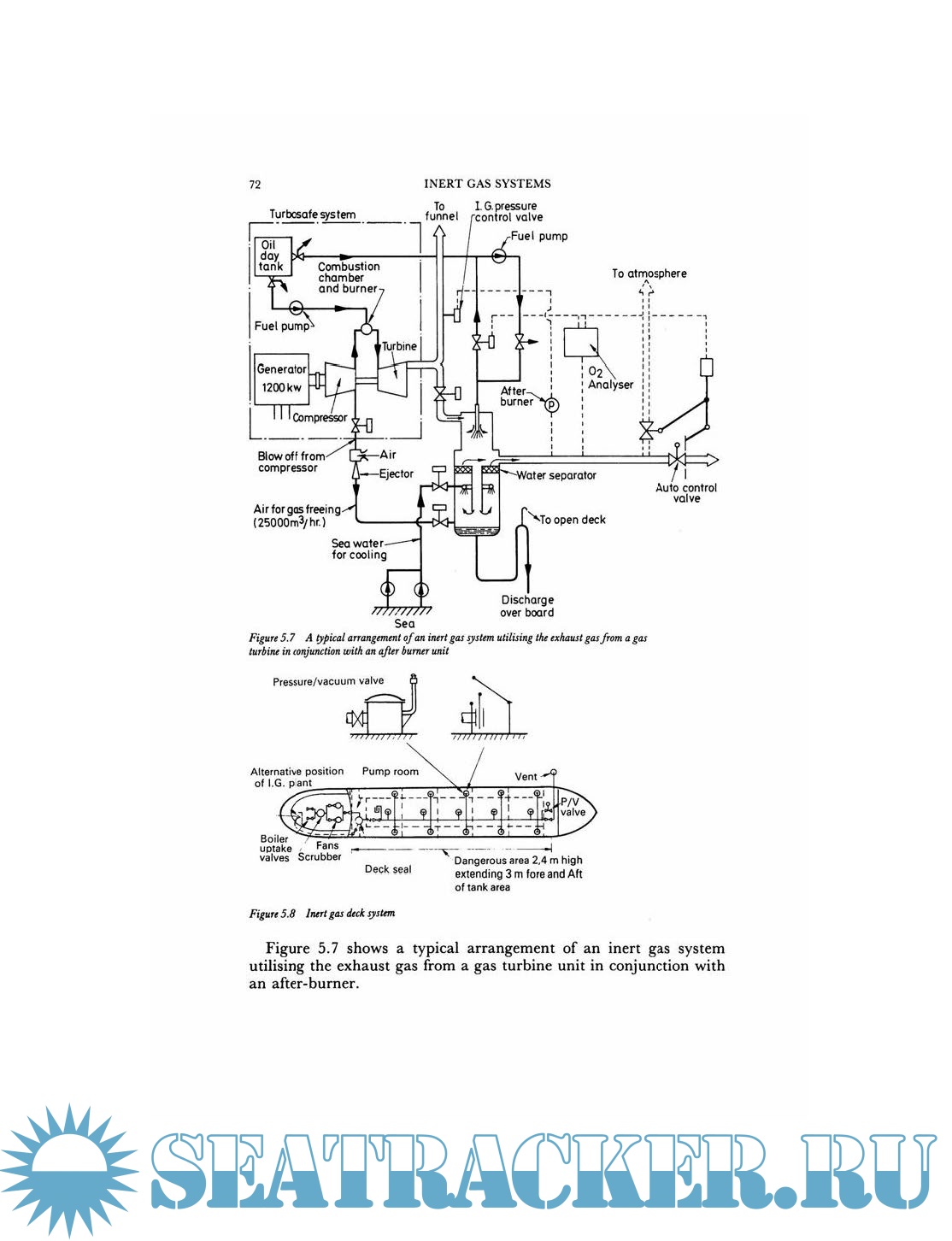
Description: Marine and Offshore Pumping and Piping System covers the history, application, installation, maintenance, and safety of different pumping and piping systems. The book covers topics such as pumping arrangements, especially in machinery spaces; water ballast, oil fuel, feed, and cooling water systems; and piping systems for oil and chemical tankers.
Also covered are topics such as the arrangements in liquefied gas carriers and fuel gas and coal burning; the required arrangements and systems for specialized ships and its related regulations; the automation of control systems; piping designs, and offshore services.
The text is recommended for marine engineers who would like to know more about the pumping and piping systems on ships and offshore services, as well as their arrangements.
:

Contents

Screenshots

Marine and Offshore Pumping and Piping Systems - J. Crawford.epub

Download [29 KB]

Thank U
Reply
refresh list

Similar releases

General Engineering Knowledge (Third Edition) - H.D. McGeorge [1992, PDF]
FPSO Handbook - Angus Mather [2009, PDF]
List of ABS Notations and Symbols [2025, PDF]
Advanced Stability - The University of Texas at Austin [2006, PDF]
Compressors Selection and Sizing - Royce N. Brown [1997, PDF]
STATUS OF IMO MODEL COURSES
A course in: «FRAMO» Hydraulic Cargo Pumping System Course v.1.0 - IMTC [2014, PDF]
Marine Steam Engines and Turbines - S. C. McBirnie [1980, PDF]
High Pressure Pumps - Gracey M.T. [2006, PDF]
A.J. Wharton (Auth.) - Diesel Engines (1991) - A.J. Wharton [1991, PDF]
LOAD MORE
  • Reply

The time now is: Today 22:49

All times are GMT + 3 Hours